| Sign In | Join Free | My benadorassociates.com |
|
Brand Name : HUATEC
Model Number : ASME block
Certification : ISO,CE,Gost
Place of Origin : China
MOQ : 1 set
Payment Terms : L/C, T/T, Western Union,Paypal
Supply Ability : 100 sets per month
Delivery Time : 3-7 days
Packaging Details : in High quality carton
Product name : ASME calibration block
Standard : ASME BPVC-V (2010) Art.4 non-pipe weld
Thickness : 19mm 38mm 76mm...230mm
Application : ndt testing
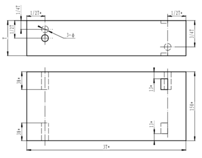
non-pipe weld ASME Calibration Block - NDT-KITS
ASME calibration block (non pipe)
Standard: ASME BPVC-V-2015
The size and shape of ASME non-pipe weld test block are shown in the chart below, when inspected
For inspection on materials with surface diameter greater than 500mm, test blocks with the same curvature as the workpiece or standard test blocks with a diameter equal to or less than 500mm can be used
During the upper inspection, the curve test block, namely the tube seam test block, should be used.
1. The distance between each slot and either end of the test block or other slots is not less than T or 25mm, if larger.
2. The minimum length L of the test block shall be 200mm or 8T, if larger.
3. When the inner diameter is equal to or less than 100mm, the minimum radian is 270°. When the inner diameter is greater than 100mm, the minimum arc length is 200mm or 3T, and the larger is taken
4. The depth of each tank is 11% T≥h≥ 8% T, width ≤6mm, length ≥225mm


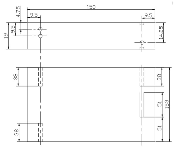
ASME 19mm test block
Standard: ASME BPVC-V-2015

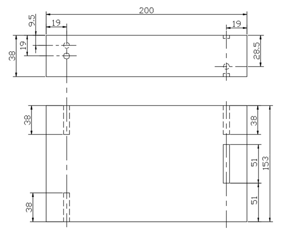
ASME 38mm test block
Standard: ASME BPVC-V-2015


|
|
Non Pipe Weld Asme Ultrasonic Calibration Block Ndt Kits Images |